CA888亚洲城官网
征询热线:0379-80877123 400-966-9300
首页
产品中心
自创豆制品
经典面制品
组合礼包
源味醒觉系列
其他
视频中心
媒体报路
走进CA888亚洲城官网
CA888亚洲城官网简介
CA888亚洲城官网新闻
发展过程
资质认证
品牌故事
商城/合作
线上商城
合作
参与CA888亚洲城官网
参与CA888亚洲城官网
自媒体
实时车间
车间实况
您当前的地位:
首页
>
公司介绍
>
资质认证
CA888亚洲城官网简介
CA888亚洲城官网新闻
发展过程
资质认证
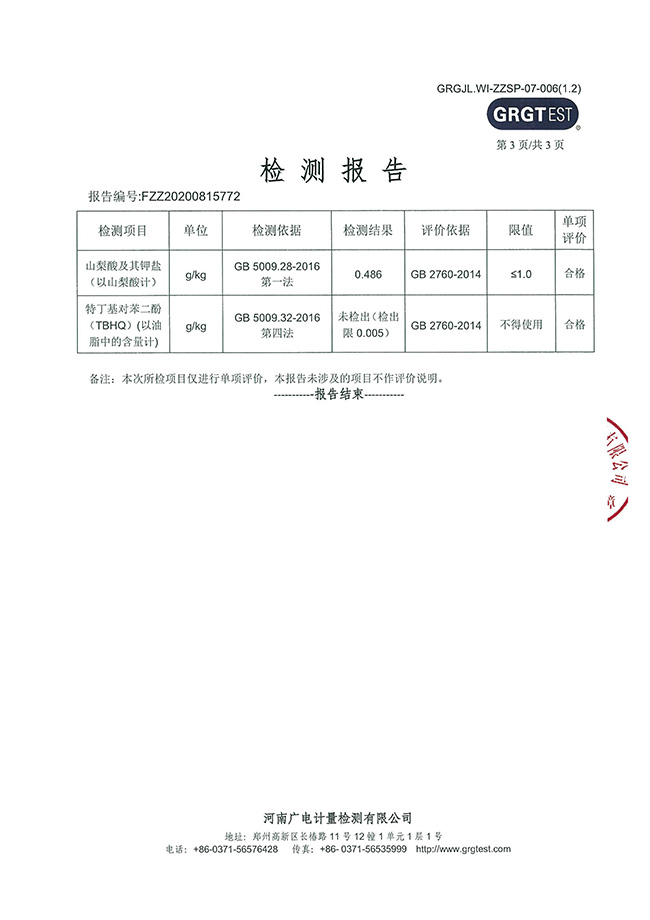
老式大辣片表检
颁布功夫:2021-03-02
作者:
起源:
CA888亚洲城官网
点击:6234
上一篇:食品安全治理系统认证证书
下一篇:交易牌照
分享到:
0
用手机看
拍下二维码,信息随身看
试试用微信扫一扫,
在你手机上持续旁观此页面。
交谊链接:
CA888亚洲城官网官方微博阿里巴巴CA888亚洲城官网官方旗舰店CA888亚洲城官网食品天猫旗舰店淘宝CA888亚洲城官网食品工厂自营店CA888亚洲城官网(Genji food)京东自营旗舰店
0379-80877123
400-966-9300
电话
短信
地图
刷新
【网站地图】